Popis
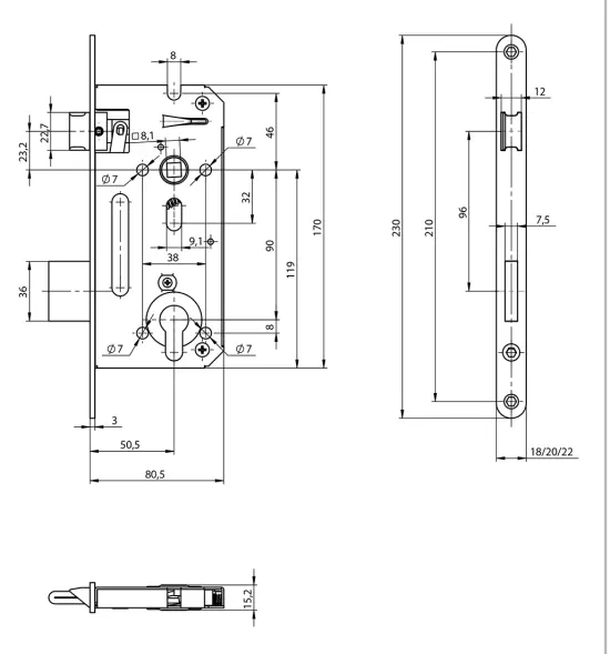
Zámok zadlabací 5140/20PPN - 90/80 P-L vložkový.Mechanický zadlabací zámok ovládania cylindrickou vložkou - dvojzápadový, ľavý/pravý
- protipožiarne prevedenie
- ovládanie cez cylindrickú vložku
- zámok s prevodom (strelku je možné ovládať cez cylindrickú vložku)
- otvory v bočných doskách s priemerom 7 mm umožňujú použitie dvojdielneho kovania (rozetové)
- premenu zámku z pravého na ľavý a naopak umožňuje delená strelka. Povolením príslušnej skrutky sa hlava strelky uvoľní, vysunie, otočí o 180°, nasunie späť na vodítko strelky a skrutkou sa utiahne
- oválny otvor v krycej aj základnej doske s priemerom 9 mm umožňuje použitie bezpečnostných štítov
- protipožiarne prevedenie zámku je podľa normy EN 12209 certifikované v BT3Rozmery v mm.
Rozstup 90
Backset 50
Hĺbka zádlabu 80.5
Šírka čela 20
Požiarna odolnosť ÁNO